找回密码
 立即注册

微信扫码登录

搜索
楼主: ansonken

[硬件DIY] 求助判断用电设备是否通电的方法?

[复制链接]

10

主题

143

回帖

834

积分

高级会员

积分
834
金钱
681
HASS币
0
发表于 2025-12-8 10:41:43 | 显示全部楼层
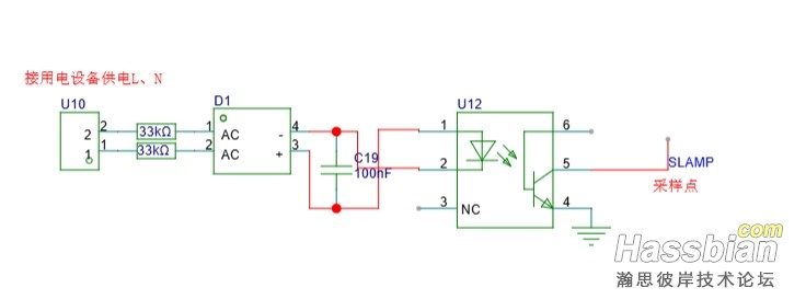
屏幕截图_8-12-2025_104043_pro.lceda.cn.jpeg

光耦采样
回复

使用道具 举报

innx 手机认证

28

主题

250

回帖

3135

积分

论坛DIY达人

积分
3135
金钱
2852
HASS币
30
发表于 2025-12-9 02:47:09 | 显示全部楼层
ansonken 发表于 2025-12-8 10:32
我一个机柜有多台设备需要监测,你这个方法可以支持多台设备吗?不用每个设备都去贴一个。 ...

我是家里用贴洗衣机上,总不能拉着一根电源线把,你没有低功耗需求就接常电,每个探头都拉一根线
黑名单 icstow昵称朝廷心腹
回复

使用道具 举报

7

主题

45

回帖

318

积分

中级会员

积分
318
金钱
266
HASS币
0
 楼主| 发表于 2025-12-10 10:26:58 | 显示全部楼层
innx 发表于 2025-12-9 02:47
我是家里用贴洗衣机上,总不能拉着一根电源线把,你没有低功耗需求就接常电,每个探头都拉一根线 ...

其实是有低功耗需求,不希望在现有电力线路串接设备,纯物理隔开的监控交换机
回复

使用道具 举报

innx 手机认证

28

主题

250

回帖

3135

积分

论坛DIY达人

积分
3135
金钱
2852
HASS币
30
发表于 2025-12-11 00:12:32 | 显示全部楼层
ansonken 发表于 2025-12-10 10:26
其实是有低功耗需求,不希望在现有电力线路串接设备,纯物理隔开的监控交换机 ...

你没听懂,是吧探头拉倒指示灯位置上贴着,不是接交换机电源
黑名单 icstow昵称朝廷心腹
回复

使用道具 举报

3

主题

51

回帖

229

积分

中级会员

积分
229
金钱
175
HASS币
0
发表于 2025-12-11 08:43:28 | 显示全部楼层
有把门窗感应器改成USB的,通电就开断电就是关
回复

使用道具 举报

您需要登录后才可以回帖 登录 | 立即注册

本版积分规则

Archiver|手机版|小黑屋|Hassbian ( 晋ICP备17001384号-1 )

GMT+8, 2026-1-23 02:19 , Processed in 0.144784 second(s), 13 queries , MemCached On.

Powered by Discuz! X3.5

© 2001-2026 Discuz! Team.

快速回复 返回顶部 返回列表