找回密码
 立即注册

微信扫码登录

搜索
查看: 767|回复: 4

[技术探讨] 关于车辆解锁,上锁,车窗上升下降.

[复制链接]

26

主题

236

回帖

1970

积分

金牌会员

积分
1970
金钱
1708
HASS币
10
发表于 2025-10-17 21:39:19 | 显示全部楼层 |阅读模式
本帖最后由 zg990725 于 2025-10-17 21:40 编辑

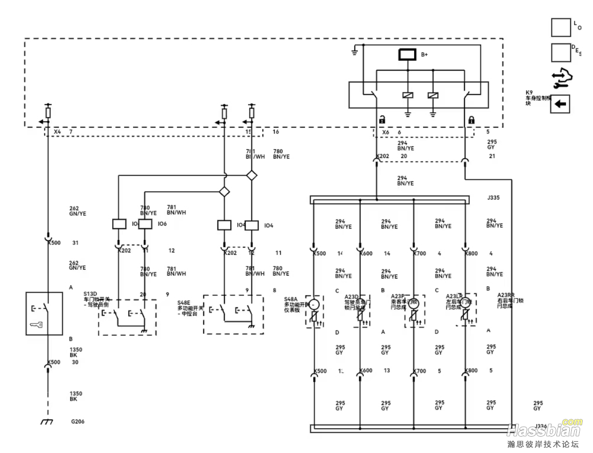
一般车辆,  在主驾驶, 有一个按钮给四个车门解锁上锁, 和四个车窗按钮分别控制四个车窗, 以及后备箱打开,

在主控台,一般还有一个车门解锁按钮和上锁按钮.

理论上, 利用原车APP是可以控制打开和关闭,但速度不理想,  再一个还需要费用

某平台上, 有人利用无线红外遥控/射频遥控/NFC/RTU/去控制原车遥控器的几个不同键,  同时把该遥控器埋进新的遥控器, 从而达到新的功能,  又名"埋遥控"方案.

新的猜想:
       将车门解锁按钮,  并联一个干结点开关,   原理为解锁电机正反转,  12V电源接地即可
       可以尝试找一个带射频遥控/红外遥控/NFC/4G-RTU/WIFI-RTU等方式,  并联上去,  从而实现车辆解锁/上锁/车窗上升/车窗下降等功能


附件,车辆电路图:
微信图片_20251017213806.png

回复

使用道具 举报

1

主题

21

回帖

169

积分

注册会员

积分
169
金钱
147
HASS币
0
发表于 2025-10-18 14:05:17 | 显示全部楼层
回复

使用道具 举报

6

主题

94

回帖

1424

积分

金牌会员

积分
1424
金钱
1324
HASS币
0
发表于 2025-10-18 14:21:31 | 显示全部楼层
太复杂了,还是买台有集成能直接接入ha的车好
回复

使用道具 举报

26

主题

236

回帖

1970

积分

金牌会员

积分
1970
金钱
1708
HASS币
10
 楼主| 发表于 2025-10-19 10:28:24 | 显示全部楼层
shenmirenQUQ 发表于 2025-10-18 14:21
太复杂了,还是买台有集成能直接接入ha的车好

我有集成HA的方法, 但利用官方的API, 速度太慢
回复

使用道具 举报

26

主题

236

回帖

1970

积分

金牌会员

积分
1970
金钱
1708
HASS币
10
 楼主| 发表于 2025-10-19 14:28:32 | 显示全部楼层

获取车辆数据和控制车辆的一般方法:
1. 一般的车辆,无非发起网络请求(POST/GET等),  携带TOKEN,  提交不同的参数和接口,  是可以正常返回JSON数据;
2. 对APP或WEB 抓包, 就可以看到请求体和token;
3. 加密解密方法, 一般常见的有AES, RSA, SM2,  SM4等, 请求头heads一般还需要携带token;
4. 如果后台有WEB, 就简单多了,  直接看JS源代码,  很简单就拿到加密解密方法,  还有key和iv;
5. 没有web版,难一点.  
    A.对APK改后缀名, .zip , 就可以用winrar或zip解包,  里面有大量的JAVA,慢慢看吧;
B. APK有加壳,  可以尝试用安卓MT管理器, 得到 .dex文件, 
C. https://github.com/zhouein/onstar, 请使用 GDA4.04.exe 分别打开!
回复

使用道具 举报

您需要登录后才可以回帖 登录 | 立即注册

本版积分规则

Archiver|手机版|小黑屋|Hassbian ( 晋ICP备17001384号-1 )

GMT+8, 2025-12-9 20:46 , Processed in 0.606355 second(s), 11 queries , MemCached On.

Powered by Discuz! X3.5

© 2001-2025 Discuz! Team.

快速回复 返回顶部 返回列表