找回密码
 立即注册

微信扫码登录

搜索
楼主: depboy

[硬件DIY] 改造家用制冰机加快制冰速度并对接HASS

[复制链接]

5

主题

88

回帖

1053

积分

论坛DIY达人

积分
1053
金钱
940
HASS币
80
 楼主| 发表于 2022-9-26 00:04:02 | 显示全部楼层
f416059509 发表于 2022-9-19 23:12
旋钮问题可以在esphome里建个pwm实体来完成,可以做100档,用nodered来联动。而且那些name和状态用中文就行 ...

感谢指点,主要是原机设计需要用到5个ADC感应,所以只好另加个主控,另外8266控制全部不太会写,只好用自己擅长的
回复

使用道具 举报

5

主题

38

回帖

1044

积分

金牌会员

积分
1044
金钱
1001
HASS币
0
发表于 2022-9-30 11:10:46 | 显示全部楼层
天线都自己画,这么硬嘛?这东西据说不是要匹配嘛?
回复

使用道具 举报

1

主题

44

回帖

1125

积分

金牌会员

积分
1125
金钱
1080
HASS币
10
发表于 2022-11-20 22:03:47 | 显示全部楼层
UartReadLineSensor这个怎么引入
回复

使用道具 举报

175

主题

2802

回帖

7698

积分

超级版主

我就是六神

积分
7698
金钱
4696
HASS币
398

活跃会员教程狂人灌水之王

QQ
发表于 2022-11-20 22:35:36 | 显示全部楼层
膜拜大佬
回复

使用道具 举报

0

主题

3

回帖

32

积分

新手上路

积分
32
金钱
29
HASS币
0
发表于 2022-12-28 15:09:28 | 显示全部楼层

牛啊牛啊,有没有成品啊,哈哈哈
回复

使用道具 举报

1

主题

44

回帖

1125

积分

金牌会员

积分
1125
金钱
1080
HASS币
10
发表于 2025-9-21 21:21:13 | 显示全部楼层
想看下pcb原理图
回复

使用道具 举报

5

主题

88

回帖

1053

积分

论坛DIY达人

积分
1053
金钱
940
HASS币
80
 楼主| 发表于 2025-9-26 15:17:09 | 显示全部楼层
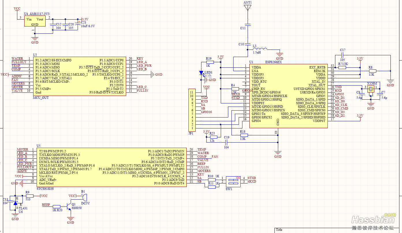
idaniel 发表于 2025-9-21 21:21
想看下pcb原理图

原理图比较简单,主要是替代原机主芯片
wechat_2025-09-26_151608_559.png
回复

使用道具 举报

您需要登录后才可以回帖 登录 | 立即注册

本版积分规则

Archiver|手机版|小黑屋|Hassbian ( 晋ICP备17001384号-1 )

GMT+8, 2026-1-16 07:54 , Processed in 1.084515 second(s), 13 queries , MemCached On.

Powered by Discuz! X3.5

© 2001-2026 Discuz! Team.

快速回复 返回顶部 返回列表